Р егион
Автоматика
Электротехническая
компания 25 лет опыта
г. Нижний Новгород, Марата 51
Тел: +7(831) 2-153-163 Заказ НКУ +8 951-901-17-33
Заказать звонок
Оставьте свой номер телефона, и мы Вам обязательно перезвоним в рабочее время!|
Новости
О Компании
Контакты
Подбор электрооборудования по техническим характеристикам

Распродажа

Распродажа
Продукция EKF

Все о продукции EKF
Цены. Остатки. Ассортимент
главная » производство » каталог низковольтных комплектных устройств » Силовые и распределительные панели » Щитки этажные ЩЭ (ЩРЭ) » Щитки этажные ЩЭ (ЩРЭ)
Поиск товара
Вводно-учетные панели | Рубильники | Силовые и распределительные панели | Шкафы и ящики управления | Ящики освещения Ящики трансформаторные

Каталог НКУ
Силовые и распределительные панели
Щитки этажные ЩЭ (ЩРЭ)
Список продуктов

Щитки этажные ЩЭ (ЩРЭ)


Щитки этажные ЩЭ (ЩРЭ)

Предназначены для приема, распределения и учета электрической энергии напряжением 380/220В трехфазного переменного тока частотой 50 Гц в сетях с глухозаземленной нейтралью, для защиты линий при перегрузках и коротких замыканиях, а также для нечастых оперативных включений и отключений.

Щиток представляет собой конструкцию из листовой стали, внутри которой размещена аппаратура электрических цепей. Доступ в щиток обеспечен со стороны фасада через двери. Ввод питающих и вывод отходящих линий осуществляется сверху и снизу.

Используются трёхфазный индукционный счётчик СА-4. По заказу возможна установка электронного счётчика.

Структура условного обозначения


Рис. 1. Фронтальный вид спереди щитков ЩЭ


Таблица 1. Технические характеристики щитков ЩЭ
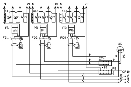
Типовые схемы
Схема 1. Схема 2.
Схема 3. Схема 4.
Схема 5.
Схема 6.
Схема 7.
Схема 8.
Схема 9.
Схема 10.
Схема 11.
Схема 12.

Скидки до 60%!

Грандиозная распродажа электротехнической продукции по цене закупки!